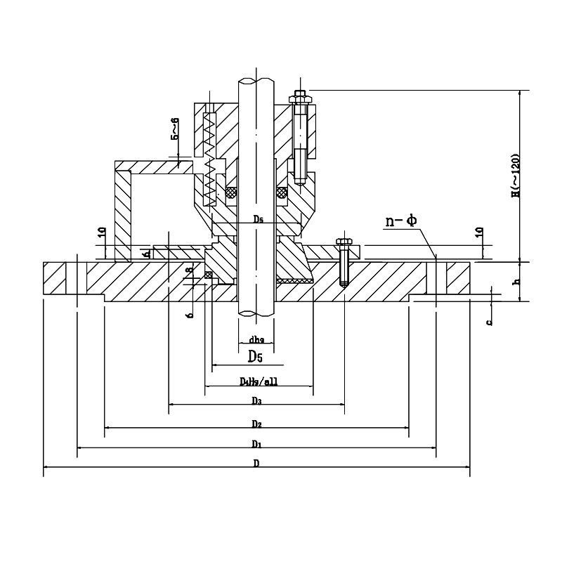
| d | 20 | 25 | 30 | 35 | 40 | 45 | 50 | 55 | 60 | 65 | 70 | 75 | 80 | 85 | 90 | 95 | 100 | 110 | 120 | 125 | 130 | 140 | 150 | 160 | 170 | 180 | 190 | 200 | 220 | |
| D | 78Standard | 160 | 170 | 185 | 195 | 205 | 235 | 260 | 290 | 315 | 340 | 370 | 390 | 405 | 435 | |||||||||||||||
| 91Standard | 235 | 260 | 315 | 370 | 435 | 485 | ||||||||||||||||||||||||
| D1 | 78Standard | 130 | 140 | 150 | 160 | 170 | 200 | 225 | 255 | 280 | 300 | 320 | 350 | 355 | 395 | |||||||||||||||
| 91Standard | 200 | 225 | 280 | 335 | 395 | 445 | ||||||||||||||||||||||||
| D2 | 78Standard | 100 | 110 | 116 | 125 | 135 | 164 | 188 | 220 | 245 | 260 | 280 | 300 | 312 | 353 | |||||||||||||||
| 91Standard | 164 | 188 | 245 | 298 | 353 | 403 | ||||||||||||||||||||||||
| D3 | 65 | 70 | 75 | 85 | 95 | 120 | 140 | 160 | 180 | 200 | 220 | 250 | 280 | 300 | ||||||||||||||||
| D4 | 202 | 50 | 55 | 60 | 65 | 70 | 75 | 80 | 85 | 90 | 97 | 102 | 107 | 112 | 117 | 122 | 127 | 132 | 142 | 152 | 157 | 162 | 172 | 182 | - | - | - | - | - | - |
| 202F | 42.5 | 47.5 | 52.5 | 57.5 | 62.5 | 67.5 | 72.5 | 79 | 85 | 91 | 96 | 102 | 108 | 113 | 119 | 124 | 129 | 140 | 152 | 157 | 164 | 176 | 187 | 201 | 216 | 226 | 240 | 250 | 270 | |
| D5 | 202 | 41 | 46 | 51 | 56 | 61 | 66 | 71 | 76 | 82 | 87 | 92 | 97 | 102 | 107 | 112 | 117 | 122 | 132 | 142 | 147 | 152 | 162 | 172 | - | - | - | - | - | - |
| 202F | 35 | 40 | 45 | 50 | 56 | 61 | 66 | 72 | 78 | 84 | 89 | 95 | 101 | 106 | 112 | 117 | 122 | 133 | 145 | 150 | 157 | 169 | 180 | 194 | 209 | 219 | 233 | 243 | 263 | |
| n-∅ | 78Standard | 4-∅12 | 4-∅18 | 8-∅18 | 12-∅18 | 12-∅23 | ||||||||||||||||||||||||
| 91Standard | 8-∅18 | 12-∅18 | 12-∅23 | |||||||||||||||||||||||||||
| h | 78Standard | 22 | 24 | 28 | ||||||||||||||||||||||||||
| 91Standard | 24 | 26 | 28 | 30 | ||||||||||||||||||||||||||
| c | 78Standard | 4 | ||||||||||||||||||||||||||||
| 91Standard | 4.5 | 5 | ||||||||||||||||||||||||||||