Home / Product / Mechanical Seal / Bottom-Entry Single-End Mechanical Seal

Bottom-Entry Single-End Mechanical Seal

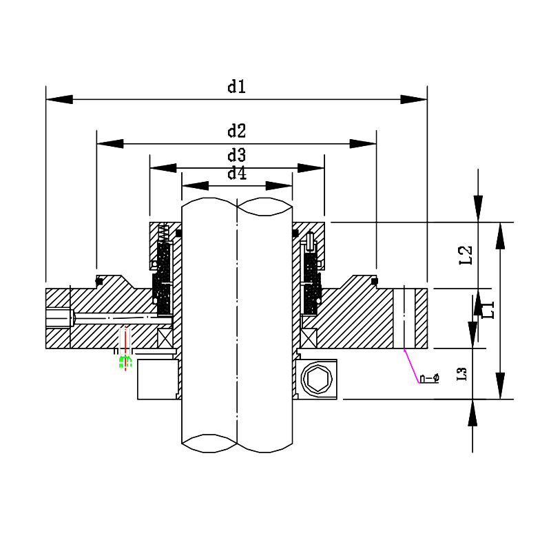
The design feature of the mechanical seal of the bottom insert reactor is that the stirring shaft is short, which makes the bending stress on the shaft small, so it can save materials when calculating the shaft diameter, which saves both labor and material. In addition, the short shaft has better rigidity and has a smaller deformation rate than the long shaft, which helps improve sealing performance.
Request a Quote
Configure impeller

The design feature of the mechanical seal of the bottom insert reactor is that the stirring shaft is short, which makes the bending stress on the shaft small, so it can save materials when calculating the shaft diameter, which saves both labor and material. In addition, the short shaft has better rigidity and has a smaller deformation rate than the long shaft, which helps improve sealing performance.

Remark

Working principle

The design of this seal takes into account the need for high-pressure sealing. A metal gasket is used to achieve the specific pressure of the high-pressure sealing surface. This specific pressure greatly exceeds the specific pressure of the medium and low-pressure container, thus meeting the high-pressure sealing. Require. The metal cushion used is usually made of annealed aluminum, annealed copper, or mild steel with good ductility, which can withstand a larger sealing pressure. In addition, by using narrow-side sealing instead of wide-side sealing, the specific pressure of the sealing surface can not only increase but also greatly reduce the total sealing force and reduce the structural size of the flange and the sealing head.

Sealing form

The mechanical seal of the bottom plug-in reactor belongs to a high-pressure seal, which relies on fasteners (such as bolts) to press the sting ring to achieve pre-tightening and guarantee. It can also be sealed during work. This form is called forced. seal. The common forced high-pressure sealing structure is a flat gasket sealing structure, which is similar to the commonly used flange stinging sheet sealing in medium and low-pressure containers, but the non-metal stinging sheet is changed to a metal gasket, and the wide-side sealing is changed to a narrow-side seal.

In summary. As mentioned above, the bottom plug-in reactor mechanical seal provides a reliable sealing solution in high-pressure environments with its unique design and efficient working principle. The combination of its structural characteristics and working principle ensures the stable operation and safety of the equipment under high pressure and temperature conditions.

Product Parameters