Home / Product / Mechanical Seal / Bottom-Entry Double-End Mechanical Seal

Bottom-Entry Double-End Mechanical Seal

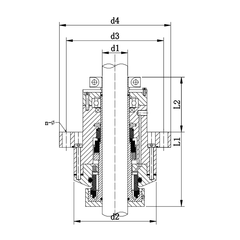
Bottom-in mechanical seal refers to a mechanical sealing method in which the spring and the moving ring are installed in the sealing box and come into contact with the medium. The characteristic of this sealing method is that its spring and moving ring are installed inside the sealing box and are directly in contact with the medium, thereby achieving an effective seal of fluid. The bottom-in mechanical seal is designed to maintain the fit and slide relative to prevent fluid leakage through the fit of the spring and the moving ring, as well as the auxiliary seal. This sealing method is suitable for a variety of rotating fluid machinery, such as centrifugal pumps, centrifuges, reactors, and compressors, where the transmission shaft penetrates the inside and outside of the equipment, forming a circumferential gap. The bottom-in mechanical seal can effectively prevent the passage of fluid leakage in the gap and keep the pressure inside the device stable. The elastic loading mechanism and auxiliary seals of bottom-in mechanical seals usually use metal corrugated pipes, while in light seals, rubber corrugated pipes may be used as auxiliary seals, but the elastic force of rubber corrugated pipes is limited, so they usually need to be supplemented with springs. Loading elastic demand. This sealing method has been widely used in the industrial field due to its reliable structure, low leakage, and long life.
Request a Quote
Configure impeller

Bottom-in mechanical seal refers to a mechanical sealing method in which the spring and the moving ring are installed in the sealing box and come into contact with the medium. The characteristic of this sealing method is that its spring and moving ring are installed inside the sealing box and are directly in contact with the medium, thereby achieving an effective seal of fluid. The bottom-in mechanical seal is designed to maintain the fit and slide relative to prevent fluid leakage through the fit of the spring and the moving ring, as well as the auxiliary seal. This sealing method is suitable for a variety of rotating fluid machinery, such as centrifugal pumps, centrifuges, reactors, and compressors, where the transmission shaft penetrates the inside and outside of the equipment, forming a circumferential gap. The bottom-in mechanical seal can effectively prevent the passage of fluid leakage in the gap and keep the pressure inside the device stable.

The elastic loading mechanism and auxiliary seals of bottom-in mechanical seals usually use metal corrugated pipes, while in light seals, rubber corrugated pipes may be used as auxiliary seals, but the elastic force of rubber corrugated pipes is limited, so they usually need to be supplemented with springs. Loading elastic demand. This sealing method has been widely used in the industrial field due to its reliable structure, low leakage, and long life.

Remark
Product Parameters
Model d1 d2 d3 d4 L1 L2 n-∅
HD-KL-40 40 152 175 200 245 104 4-∅14
HD-KL-50 50 162 192 220 255 116.5 6-∅16
HD-KL-70 70 182 212 240 267.5 120.5 8-∅14
HD-KL-100 100 215 255 290 287 114.5 8-∅18